English
中文
搜索
首页
关于新利在线平台
集团简介
集团简介
品牌文化
新利在线平台品牌理念
集团成员
集团成员
技术实力
技术实力
企业荣耀
企业荣誉
集团视频
集团视频
企业公告
企业新闻
企业新闻
行业动态
行业动态
企业招标
暂无记录
产品中心
挂车系统
VALX系列车轴
卡车系统
单级减速驱动桥
工程车系统
16.8吨工程车后桥
集装箱
陆运分体式轻型拖车冷藏箱
原厂配件
车轴配件
服务中心
新利在线平台服务中心
新利在线平台服务中心
产品使用手册
产品使用说明书
VALX 学堂
VALX 学堂
挂车使用常识
用车常识
售后服务网点
售后服务网点
产品防伪查询
产品防伪查询
资料下载中心
资料下载中心
投 诉 与 建 议
投诉与建议
新利在线官网
采购公告
采购公告
人才招聘
人才招聘
加盟我们
加盟我们
联系方式
联系方式
首页
>
服务中心
>
产品使用手册
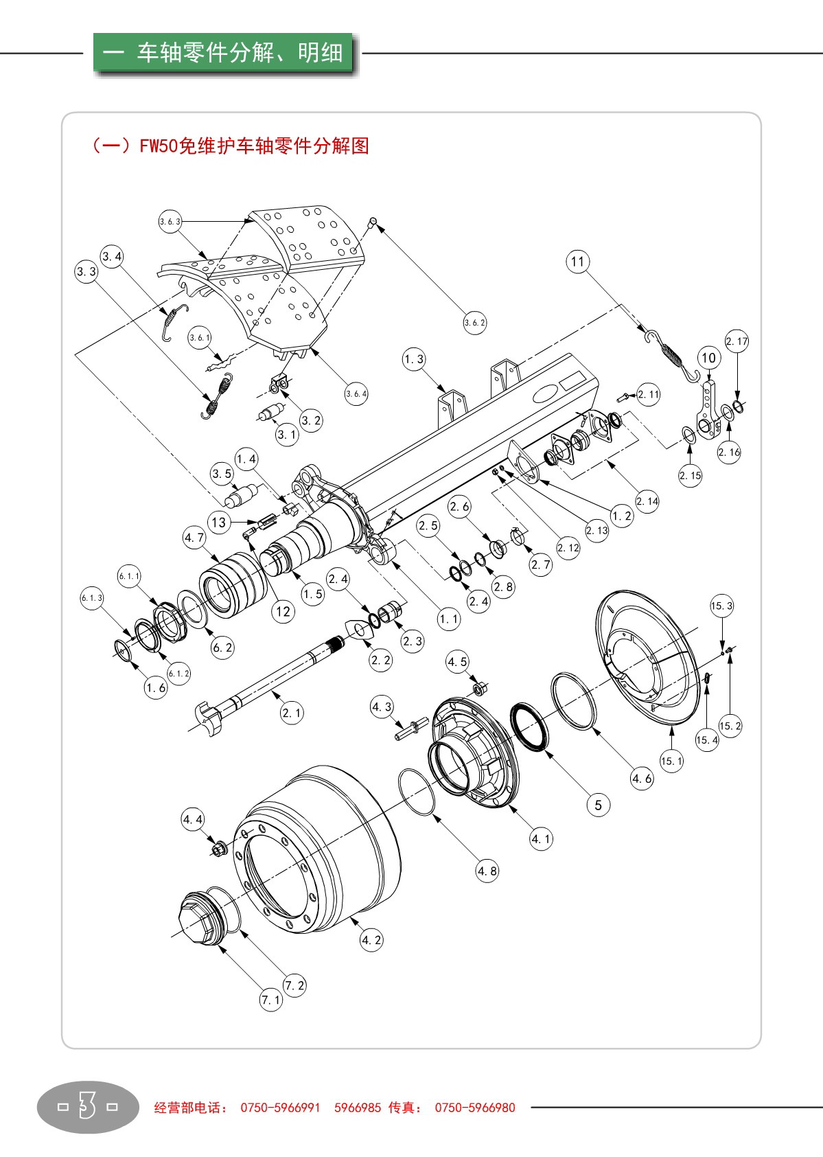
FW50免维护车轴【产品使用说明书】
发布时间:2017-02-21 17:14:21
分享:
上一篇:鞍座 · 牵引销【产品使用说明书】
下一篇:FW13耐磨板簧悬挂【产品使用说明书】
心博在线登录
|
milan米兰体育(中国区)体育官方网站
|
开云在线
|
天空娱乐
|
天空足球体育
|
英亚平台
|
英亚平台_英亚网页版
|
新利官方网站_新利(中国)股份有限公司
|
华体会网页版
|